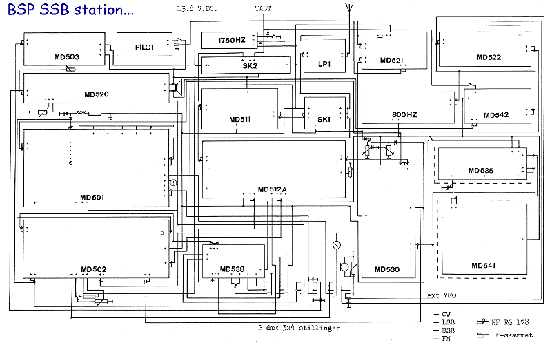
** BSP Byggesæt til lidt af hvert **
På denne side kigger
vi på de byggesæt som 'sammenkobler' BSP modulerne til en
komplet 2 meter station.
|

|
SK1:
Fuld elektronisk antenneomskifter med lavt
indsætningstab.
Styres af + TX og RX. Max effekt 35W. |
SK2:
Fuld elektronisk TX og RX spændingsomskifter.
Skifter lynhurtigt uden irriterende 'klik'.
SK2 har indbygget beskyttelse mod fejlpolarisation og
overspænding,
sker dette, vil sikringen lynhurtigt springe.
Fast spændingsudtag med beskyttelse til andre funktioner i
stationen,
uafhængig af SK2s 'skifte tilstand'.
Max 4A. |


|
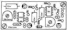
BSP tonegenerator moduler:


|
BSP
1750 Hz.
En stabil 1750 Hz. tonegenerator til repeater
åbning.
BSP Pilottone 367 - 410 Hz.
Stabil pilottonegenerator til brug for de
repeatere som krævede pilottone.
800 Hz. nøglekredsløb for CW.
Modulet sørgede for en 'klikfri' og korrekt
tegnform på 800 Hz.
med 5 msek. stig og faldtid. |
MD 542.
Med MD 542 kunne man taste sin sender ved blot at tale i
mikrofonen (VOX).
Modulet havde et indbygget 'Anti-Trip' kredsløb, så utilsigtede
højtalerlyde
ikke tastede senderen.
|
Vox kredsløb til talestyring:

|
Elektronisk skala (frekvenstæller)

MD 541.
|
MD
541.
MD 541 var en 20 MHz. frekvenstæller, som kunne kobles direkte
på
VFO modulet MD 535.
De 2 første cifre var 'fastkodet', så VFO frekvensen '14 - 16
MHz.'
blev vist som '144 - 146 MHz.'.
MD 541 blev monteret i en HF-tæt aluminiumsboks for at hindre
'digital udstråling'. |
Suprline MK III en RTTY konverter:
MK III var ikke udelukkende tiltænkt en BSP 2 meter station, men
kunne bruges
i mange andre stationer med en RTTY fjernskriver tilsluttet.
De indbyggede filtre kunne ændres til forskellige standarder
beskrevet i manualen.
Bl.a. kunne et (FM begrænser kredsløb) ind og udkobles.
OZ9JB stod bag designet af konverteren. |

BSP Superline MK III
|
Lidt hjælpeværktøjer kunne også leveres:

En lille simpel 10,7 MHz. 'målesender' til brug ved optrimning
af mellemfrekvenser.
Og lille HF-probe, lige til at koble til et universal instrument
også god til optrimning.
|