
Keramisk filter med FM radiofoni båndbredde +/- 75 kHz.
Bruges i MD 5, kun til at fjerne 'spejlet' 2x455 kHz. væk.
|
MD
5 Tekniske specifikationer
Ideal for begynderen.
Fuld variabel modtager til 2
meterbåndet 144 til 146 MHz.
(Kunne let trimmes til at dække 2 - 3MHz. i 'flybåndet' i
stedet).
Modulation: NFM (smalbånds FM) og AM.
God følsomhed og frekvensstabil med varicap afstemning.
Kanalseparation 25 kHz. ved hjælp af keramiske filter på 455 kHz. (dobbeltsuper
10,7 MHz / 455 kHz.).
Inklusive S-meter tilslutning, Squels og LF (4 Ohm 2 Watt).
|

455 kHz. keramiske filtre fra Murata, fås i mange båndbredder.
Dette filter fastsætter 'lytte båndbredden' i MD 5. |

HF310 med stereo dekoder fra Josty Kit.
Den var 'alt for bred' til at lytte 2 meter radio og var
beregnet til at lytte
FM radiofoni stationer +/- 75 kHz.
I øvrigt en ganske udemærket radiofoni FM modtager.
|
Vi
'snød lidt'...
2 meter delen (HF-trin og første
blander) var udført med printspoler.
Sådan nogle havde vi aldrig arbejdet med før og det må
indrømmes,
at vi øhhh 'stjal ideen' fra Josty Kits FM modtager HF310.
PS: Vi blev dog senere 'tilgivet' af Jan Soelberg, da han var
meget
interesseret i at vores MD5 kunne indgå direkte i Josty Kits
program,
dette blev dog ikke til noget da pris forhandlingerne strandede.
|

Hvis man sammenligner printet til HF310 med vores MD5 print,
kan man se 'slægtskabet'. |

Selve print-modulet skal også være pænt af se på.
|

MD 5 komplet i fint kabinet, set på BG. |

Fra museets dybe kældre. Det originale MD5 diagram.
Kunstner: OZ3MZ.
(Klik på
billedet). |

|

MD 500 systemets 'FM grund-modtagere'
MD 501 og MD 501S er i princippet ens
og er begge dobbeltsupere
med mellemfrekvenserne '10,7 MHz. og 455 kHz'. Ligeledes er de
begge udstyret med et 10,7 MHz. 90dB Xtal-filter, som kunne
leveres
i 2 versioner. 25 kHz. kanalraster eller 12,5 kHz. raster.
MD 501 var udstyret med plads til 6 faste kanal X-taller + en
135 MHz.
'system VFO' indgang.
MD 501S havde lidt mindre dimensioner fordi der ikke var afsat
plads
til kanal X-taller. Lyttefrekvensen kunne derfor kun
'indstilles' via en
135 MHz. 'system VFO'.
Begge havde en 10,7 MHz. udgang til brug for vores SSB
mellemfrekvens MD 502.
|

|

|
SSB mellemfrekvensen til
systemet.
MD 502 er en 10,7 MHz. SSB
mellemfrekvens, som kunne
tilsluttes MD 501 og MD 501S.
Forbindelsen skete via et tyndt RG 178 50 Ohms teflon kabel.
Uden et BFO modul kom der ikke meget ud af SSB mellemfrekvensen.
For at det kunne ske, skulle BFO modulet MD 538 bruges.
Modulet havde plads til 4 X-tals, USB, LSB og 2 stk. til FM.
FM X-tallerne bruges udelukkende til senderen via MD 530,
som 2 meter
frekvensen direkte og til repeater-space.
MD502 indeholdt også en 10,7MHz SSB modulator.
|
 |

Filteret slap kun 'en smal' lyttefrekvens igennem omkring 800
Hz. |

Hvis du ville lytte CW (telegrafi),
så skal vores modul MD 503 bruges
og tilsluttes MD 502.
Modtageren fik på denne måde en ganske smal 'lyttebåndbredde'
som egnede sig fint til CW signaler. |

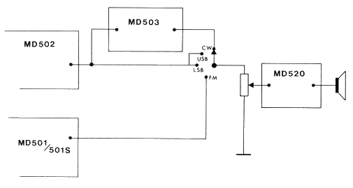
Sådan forbindes MD 503 i systemet. |

Sådan forbindes MD 520 i systemet.
|

MD 520 var systemets vej til højtaleren med 2,5W. og 4 Ohm.
Modulet indeholdt også et 'squelskredsløb' til FM brug.
|

PM (FM) foretager normalt en +6dB/oktav. hævning af
modulationen.
For at modvirke dette, dæmper 520 det modtagne signal med
-6dB/oktav. Dette giver samtidig et forbedret S/N forhold af det
modtagne signal.
|

Kunne vore modtagere holde til dette uhyre i Gladsaxe ??
|
Test af modtager egenskaber
Et af vore ønsker var at skabe et
produkt, som havde væsentlig bedre specifikationer end de på den
tid tilgængelige ”plasticradioer”, og gerne så tæt på de
specifikationer som gjaldt for landmobil radioer, specielt med
hensyn til blokering og intermodulation.
Men at måle disse var ikke ligetil, da det kræver mindst 2 og
gerne 3 målesendere, og det havde vi desværre ikke på
laboratoriet.
Men en praktisk test var ikke så langt væk. En kanalmodtager
blev udstyret med krystaller til Ringsted, Vejrhøj og Ramløse
repeaterne. Så gik turen til Gladsaxe. Her var der et af de mest
”giftige” områder for en 2 meter radio. En 60kW kanal 4 (61 – 68
MHz)TV sender, 3 stk 20kW FM radiofoni sendere (90-100MHz) og
25-30 mobil telefon sendere (169 MHz) indenfor få hundrede
meter. Vi var flere gange oppe på positionen, men ingen af
gangene observerede vi problemer. Da vi senere fik udviklede VFO
versionen blev denne også udsat for samme test.
Måske ikke en videnskabelig test men et godt alternativ.
En af vore kunder, OZ9KE Karl som havde QTH 1,5 km fra
ovennævnte område, rapporterede at med MD500 projektet havde
ikke forstyrrelses problemer som han kendte fra sine
”Plasticradioer”.
|

Store HF signaler enhver modtagers rædsel. |